Запчасти Case IH FARMALL 115C (00.000.90[02]) - PICTORIAL INDEX - PLATFORM, CAB, BODYWORK AND DECALS (00) - GENERAL & PICTORIAL INDEX

Схема запчастей Case IH FARMALL 115C - (00.000.90[02]) - PICTORIAL INDEX - PLATFORM, CAB, BODYWORK AND DECALS (00) - GENERAL & PICTORIAL INDEX
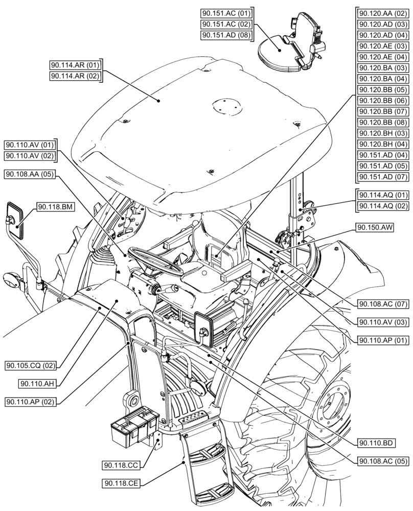
90.110.ah
90.150.aw
90.120.aa (02)
90.118.bm
90.120.ad (04)
90.114.aq (02)
90.120.bh (04)
90.151.ad (08)
90.110.av (01)
90.120.ae (04)
90.151.ac (02)
90.108.aa (05)
90.110.bd
90.110.ap (02)
90.151.ac (01)
90.110.av (02)
90.120.bh (03)
90.118.ce
90.151.ad (07)
90.120.bb (08)
90.120.ad (03)
90.120.bb (06)
90.120.ae (03)
90.118.cc
90.151.ad (05)
90.108.ac (07)
90.114.aq (01)
90.120.bb (07)
90.114.ar (01)
90.105.cq (02)
90.120.ba (04)
90.151.ad (04)
90.120.bb (05)
90.108.ac (05)
90.120.ba (03)
90.114.ar (02)
90.110.av (03)
90.110.ap (01)
FIT
1:1
100%