Запчасти Case IH FARMALL 90V (00.000.55[02]) - PICTORIAL INDEX - ELECTRICAL SYSTEMS (00) - GENERAL & PICTORIAL INDEX

Схема запчастей Case IH FARMALL 90V - (00.000.55[02]) - PICTORIAL INDEX - ELECTRICAL SYSTEMS (00) - GENERAL & PICTORIAL INDEX
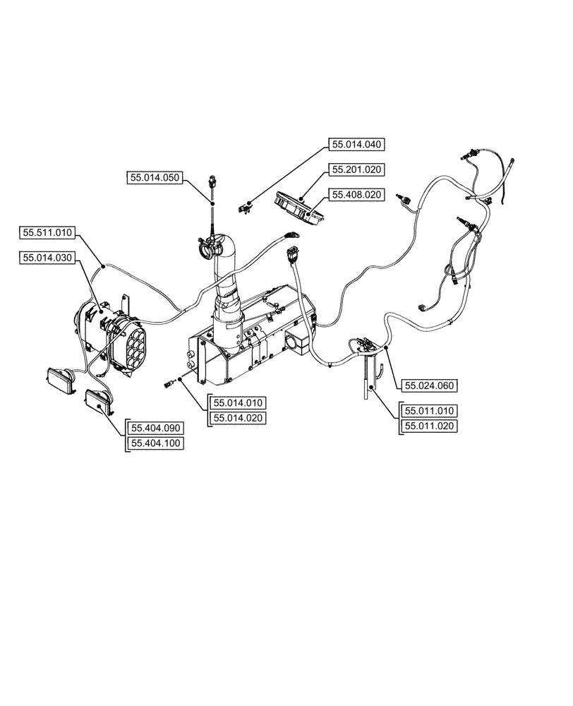
55.511.010
55.408.020
55.014.030
55.014.040
55.024.060
55.404.100
55.404.090
55.014.010
55.011.020
55.011.010
55.014.050
55.014.020
55.201.020
FIT
1:1
100%