Запчасти Case IH FARMALL 90V (00.000.41[02]) - PICTORIAL INDEX - STEERING (00) - GENERAL & PICTORIAL INDEX

Схема запчастей Case IH FARMALL 90V - (00.000.41[02]) - PICTORIAL INDEX - STEERING (00) - GENERAL & PICTORIAL INDEX
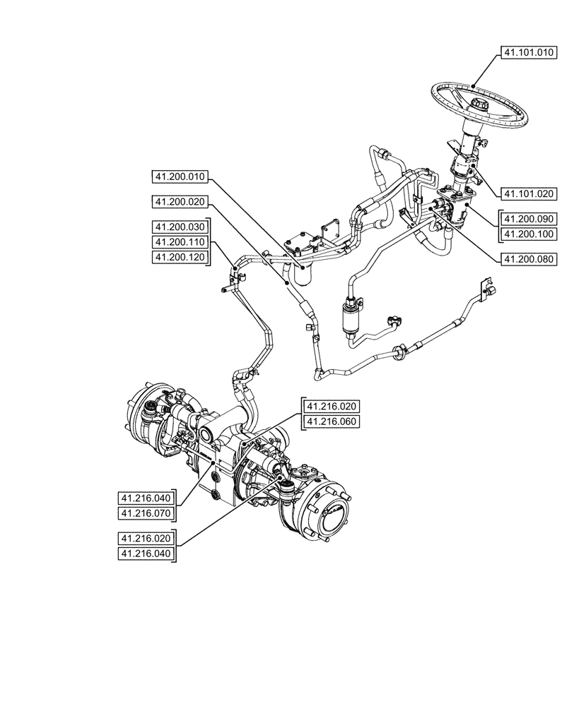
41.101.020
41.200.080
41.200.110
41.216.070
41.216.060
41.216.040
41.216.040
41.200.020
41.101.010
41.216.020
41.216.020
41.200.010
41.200.100
41.200.030
41.200.120
41.200.090
FIT
1:1
100%