Запчасти Case IH FARMALL 80CL (00.000.10[02]) - PICTORIAL INDEX - ENGINE (00) - GENERAL & PICTORIAL INDEX

Схема запчастей Case IH FARMALL 80CL - (00.000.10[02]) - PICTORIAL INDEX - ENGINE (00) - GENERAL & PICTORIAL INDEX
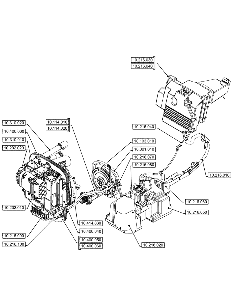
10.400.040
10.400.030
10.310.010
10.216.070
10.216.080
10.216.030
10.216.060
10.310.020
10.114.020
10.216.090
10.216.100
10.202.020
10.114.010
10.216.050
10.400.050
10.216.010
10.103.010
10.202.010
10.414.030
10.216.020
10.400.060
10.001.010
10.216.040
10.216.040
FIT
1:1
100%