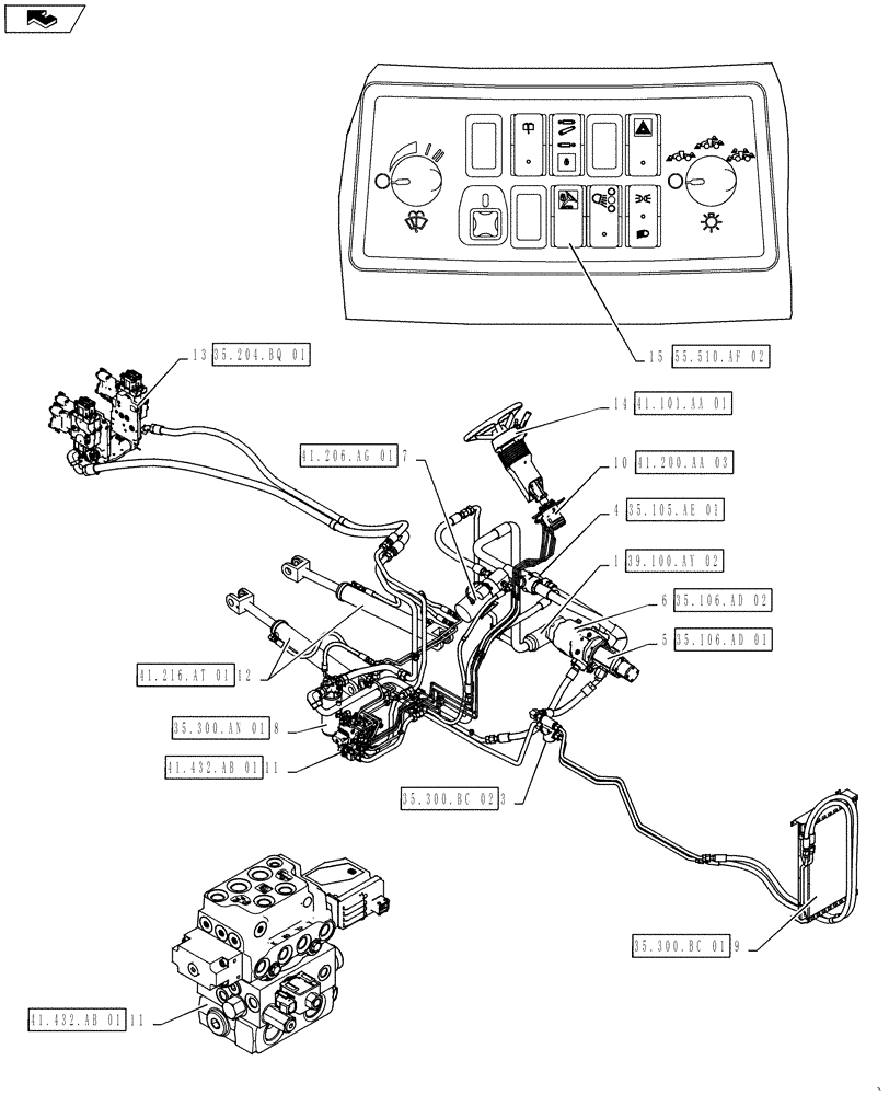
Запчасти Case IH STEIGER 350 (41.000.00) - PICTORIAL INDEX - STEERING (41) - STEERING

Схема запчастей Case IH STEIGER 350 - (41.000.00) - PICTORIAL INDEX - STEERING (41) - STEERING
41.432.ab 01
home
35.204.bq 01
35.105.ae 01
41.216.at 01
35.106.ad 02
35.300.bc 01
39.100.ay 02
41.200.aa 03
35.300.bc 02
35.300.an 01
41.101.aa 01
55.510.af 02
41.206.ag 01
41.432.ab 01
35.106.ad 01
FIT
1:1
100%