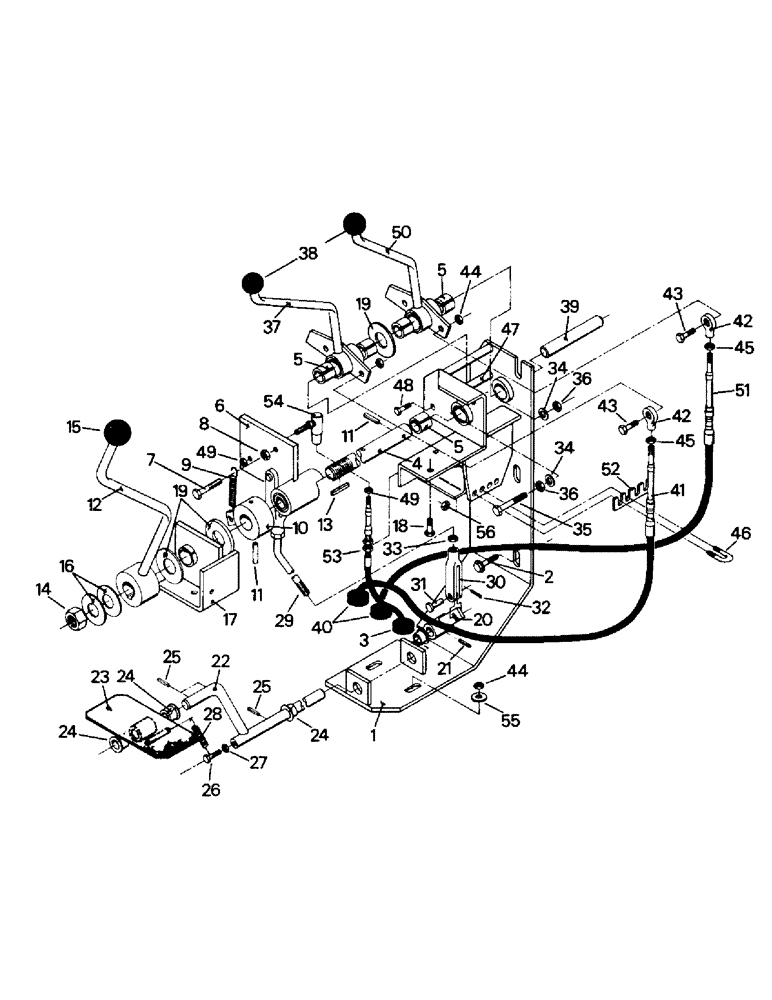
Запчасти Case IH PT270 (01-38) - CAB CONTROLS THROTTLE, TRANSFER CASE & TRANSMISSION TWO SPEED (10) - CAB

Схема запчастей Case IH PT270 - (01-38) - CAB CONTROLS THROTTLE, TRANSFER CASE & TRANSMISSION TWO SPEED (10) - CAB
52
16
31
50
49
21
15
5
35
30
24
23
19
8
17
56
1
9
38
5
43
51
32
10
11
4
2
24
27
49
24
42
54
25
45
11
18
13
44
29
20
42
28
46
55
48
7
19
47
45
36
22
39
3
25
34
33
37
41
14
12
53
6
40
34
36
44
26
5
43
FIT
1:1
100%