Запчасти Case IH PUMA 185 (00.000.90[02]) - PICTORIAL INDEX - PLATFORM, CAB, BODYWORK AND DECALS (00) - GENERAL & PICTORIAL INDEX

Схема запчастей Case IH PUMA 185 - (00.000.90[02]) - PICTORIAL INDEX - PLATFORM, CAB, BODYWORK AND DECALS (00) - GENERAL & PICTORIAL INDEX
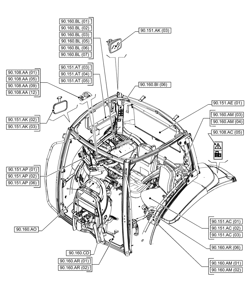
90.151.ak (03)
90.160.bl (02)
90.108.aa (12)
90.151.ap (02)
90.160.am (02)
90.151.ac (03)
90.160.bl (06)
90.160.cd
90.160.ao
90.160.am (03)
90.160.am (04)
90.160.ar (01)
90.151.ap (01)
90.160.bl (05)
90.151.ae (01)
90.108.aa (01)
90.160.am (01)
90.151.ak (02)
90.151.ap (06)
90.108.ac (05)
90.108.aa (09)
90.160.bl (07)
90.151.ac (01)
90.160.ar (02)
90.151.ac (02)
90.151.at (03)
90.160.bl (01)
90.160.ar (06)
90.151.at (04)
90.151.at (05)
90.160.bl (03)
90.108.aa (05)
90.160.bi (06)
90.151.ak (03)
FIT
1:1
100%