Запчасти Case IH PUMA 185 (00.000.55[03]) - PICTORIAL INDEX - ELECTRICAL SYSTEMS (00) - GENERAL & PICTORIAL INDEX

Схема запчастей Case IH PUMA 185 - (00.000.55[03]) - PICTORIAL INDEX - ELECTRICAL SYSTEMS (00) - GENERAL & PICTORIAL INDEX
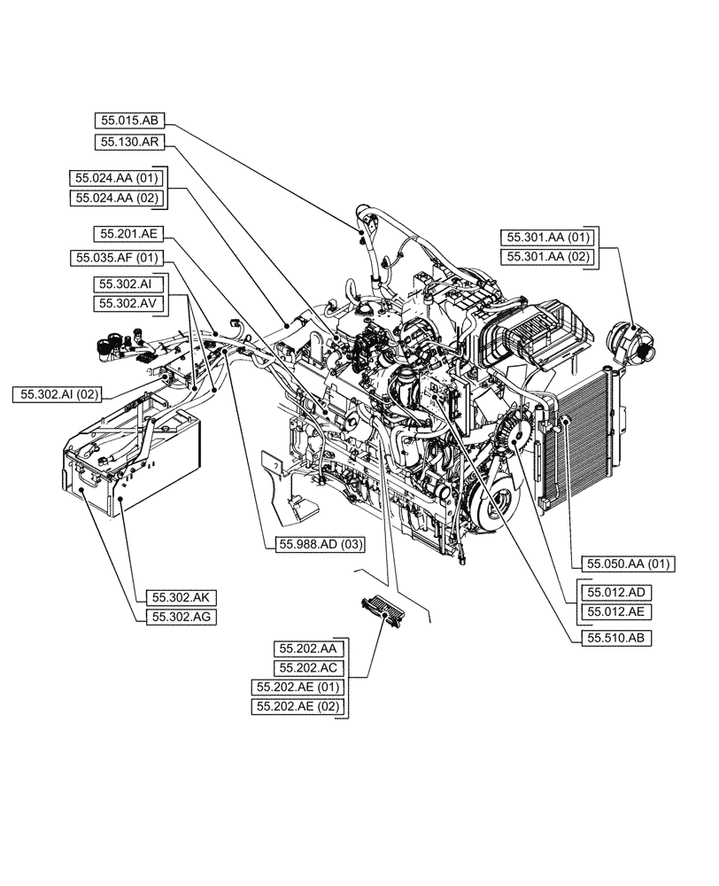
55.302.ak
55.988.ad (03)
55.130.ar
55.302.ai (02)
55.024.aa (01)
55.024.aa (02)
55.510.ab
55.012.ad
55.202.ac
55.202.aa
55.302.ai
55.302.av
55.050.aa (01)
55.202.ae (02)
55.015.ab
55.202.ae (01)
55.035.af (01)
55.012.ae
55.301.aa (02)
55.301.aa (01)
55.201.ae
55.302.ag
FIT
1:1
100%