Запчасти Case IH PUMA 185 (00.000.55[02]) - PICTORIAL INDEX - ELECTRICAL SYSTEMS (00) - GENERAL & PICTORIAL INDEX

Схема запчастей Case IH PUMA 185 - (00.000.55[02]) - PICTORIAL INDEX - ELECTRICAL SYSTEMS (00) - GENERAL & PICTORIAL INDEX
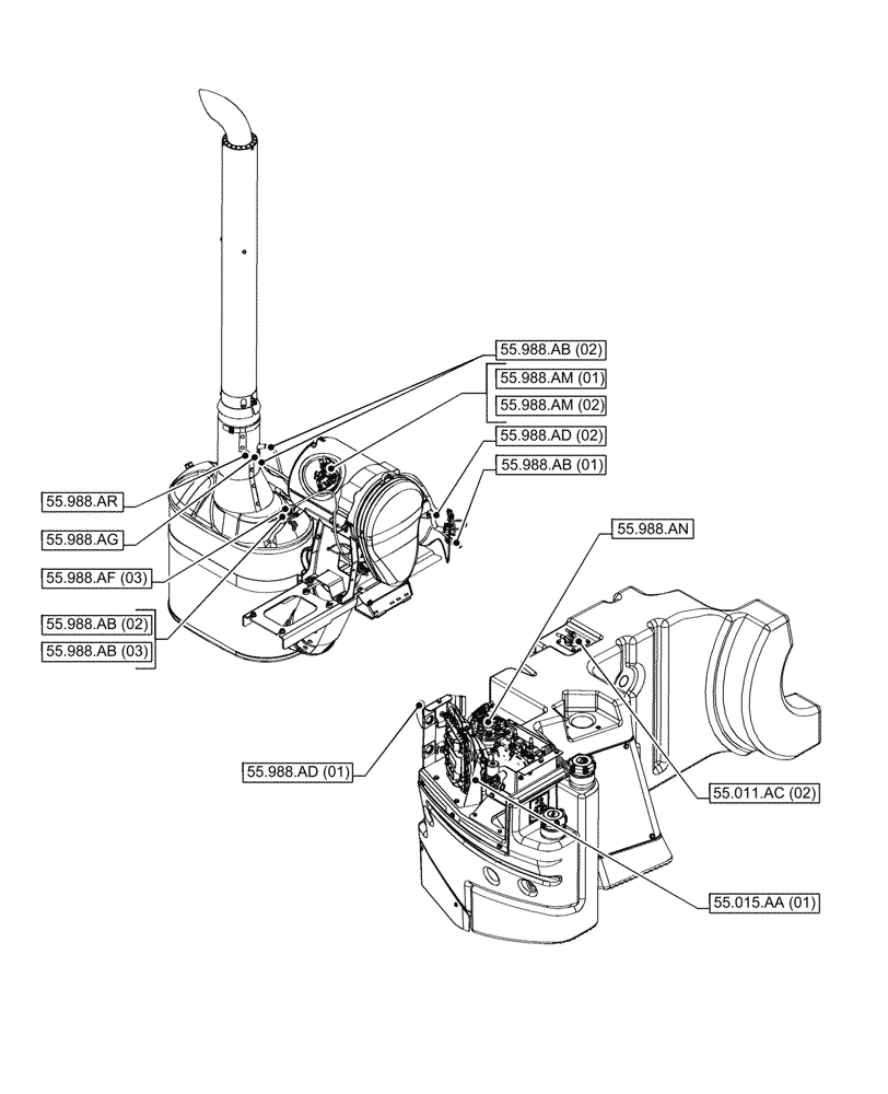
55.988.ad (02)
55.988.ab (02)
55.988.ab (02)
55.988.ar
55.988.ab (03)
55.988.ag
55.988.af (03)
55.988.ab (01)
55.988.am (02)
55.988.am (01)
55.988.ad (01)
55.011.ac (02)
55.015.aa (01)
55.988.an
FIT
1:1
100%