Запчасти Case IH PUMA 185 (00.000.33[04]) - PICTORIAL INDEX - BRAKES & CONTROLS (00) - GENERAL & PICTORIAL INDEX

Схема запчастей Case IH PUMA 185 - (00.000.33[04]) - PICTORIAL INDEX - BRAKES & CONTROLS (00) - GENERAL & PICTORIAL INDEX
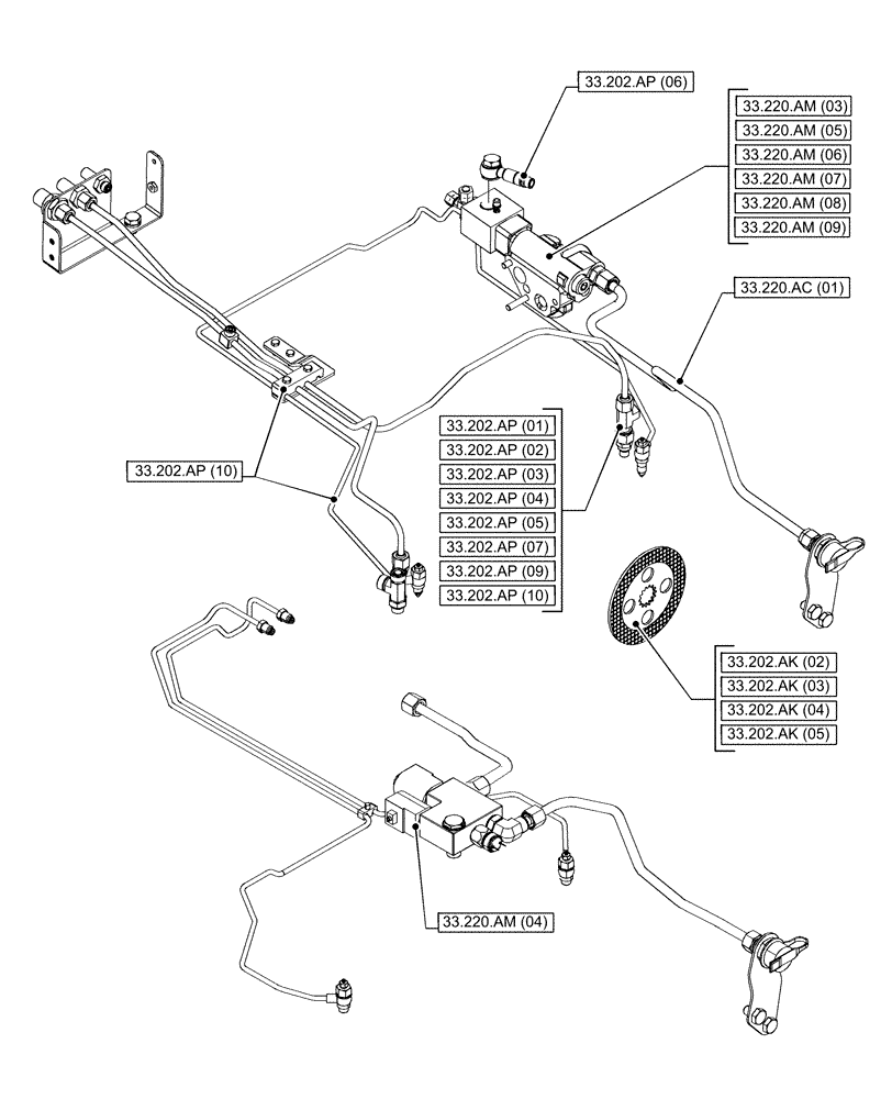
33.202.ak (04)
33.220.am (09)
33.220.am (07)
33.202.ap (03)
33.202.ap (04)
33.202.ap (05)
33.202.ap (07)
33.202.ap (06)
33.220.am (03)
33.202.ak (02)
33.202.ak (03)
33.220.am (04)
33.220.am (05)
33.220.am (08)
33.202.ap (01)
33.202.ap (10)
33.202.ap (10)
33.202.ap (02)
33.220.ac (01)
33.220.am (06)
33.202.ap (09)
33.202.ak (05)
FIT
1:1
100%