Запчасти Case IH PUMA 185 (00.000.35[01]) - PICTORIAL INDEX - HYDRAULIC SYSTEMS (00) - GENERAL & PICTORIAL INDEX

Схема запчастей Case IH PUMA 185 - (00.000.35[01]) - PICTORIAL INDEX - HYDRAULIC SYSTEMS (00) - GENERAL & PICTORIAL INDEX
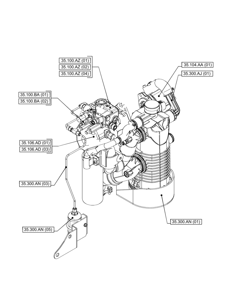
35.100.ba (01)
35.100.az (01)
35.106.ad (01)
35.100.az (04)
35.300.an (05)
35.300.an (01)
35.104.aa (01)
35.100.ba (02)
35.300.an (03)
35.300.aj (01)
35.106.ad (03)
35.100.az (02)
FIT
1:1
100%