Запчасти Case IH PUMA 185 (00.000.31[02]) - PICTORIAL INDEX - IMPLEMENT POWER TAKE-OFF (00) - GENERAL & PICTORIAL INDEX

Схема запчастей Case IH PUMA 185 - (00.000.31[02]) - PICTORIAL INDEX - IMPLEMENT POWER TAKE-OFF (00) - GENERAL & PICTORIAL INDEX
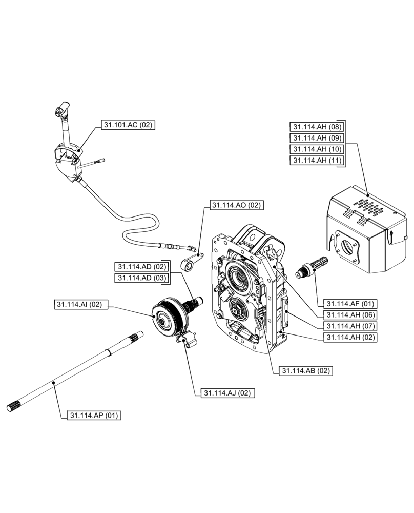
31.114.ai (02)
31.114.ad (03)
31.114.ah (02)
31.114.ah (10)
31.114.ad (02)
31.114.ah (07)
31.101.ac (02)
31.114.af (01)
31.114.ah (11)
31.114.ah (06)
31.114.aj (02)
31.114.ah (08)
31.114.ab (02)
31.114.ap (01)
31.114.ah (09)
31.114.ao (02)
FIT
1:1
100%