Запчасти Case IH PUMA 150 (10.000.00[02]) - SECTION INDEX - ENGINE (10) - ENGINE

Схема запчастей Case IH PUMA 150 - (10.000.00[02]) - SECTION INDEX - ENGINE (10) - ENGINE
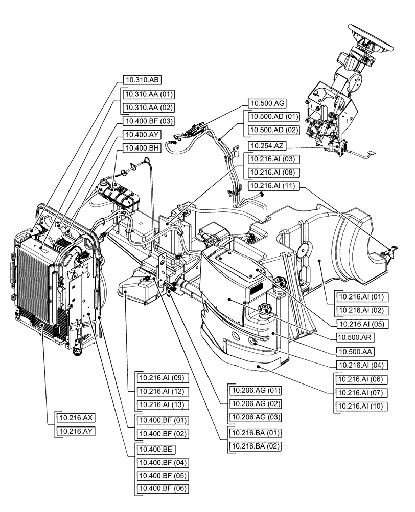
10.216.ay
10.400.bf (06)
10.216.ai (03)
10.500.aa
10.400.ay
10.216.ai (04)
10.216.ai (01)
10.216.ai (07)
10.500.ag
10.216.ai (11)
10.206.ag (03)
10.216.ba (01)
10.310.aa (02)
10.310.aa (01)
10.500.ad (02)
10.400.bf (01)
10.400.bf (04)
10.500.ar
10.216.ax
10.216.ai (09)
10.216.ai (05)
10.400.bf (05)
10.400.bh
10.216.ai (10)
10.216.ba (02)
10.216.ai (13)
10.400.be
10.400.bf (03)
10.206.ag (01)
10.400.bf (02)
10.254.az
10.216.ai (12)
10.216.ai (02)
10.216.ai (08)
10.500.ad (01)
10.206.ag (02)
10.216.ai (06)
10.310.ab
FIT
1:1
100%