Запчасти Case IH PUMA 150 (00.000.37[05]) - PICTORIAL INDEX - HITCHES, DRAWBARS AND IMPLEMENT COUPLINGS (00) - GENERAL & PICTORIAL INDEX

Схема запчастей Case IH PUMA 150 - (00.000.37[05]) - PICTORIAL INDEX - HITCHES, DRAWBARS AND IMPLEMENT COUPLINGS (00) - GENERAL & PICTORIAL INDEX
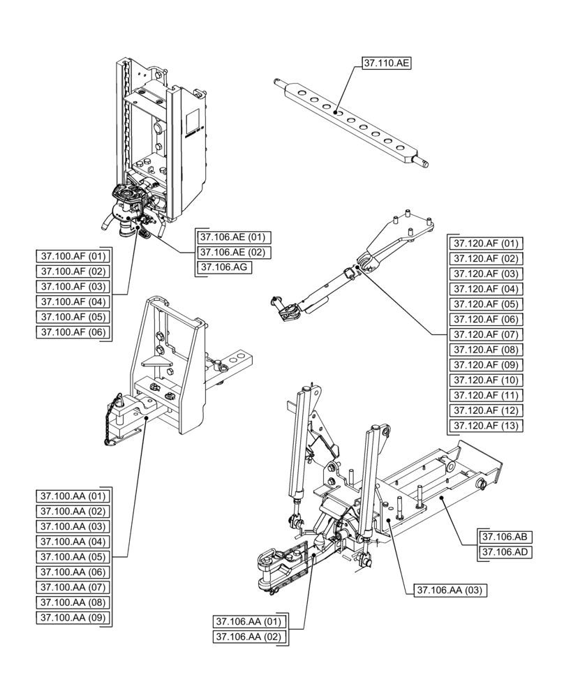
37.100.aa (07)
37.106.aa (01)
37.120.af (08)
37.100.aa (08)
37.120.af (07)
37.120.af (12)
37.106.aa (02)
37.106.ab
37.100.af (01)
37.120.af (13)
37.106.ae (01)
37.100.af (02)
37.120.af (01)
37.110.ae
37.120.af (05)
37.106.ad
37.100.aa (04)
37.100.af (03)
37.120.af (03)
37.100.aa (06)
37.100.aa (02)
37.106.aa (03)
37.120.af (09)
37.120.af (06)
37.120.af (10)
37.100.af (06)
37.100.aa (09)
37.106.ae (02)
37.120.af (02)
37.100.af (05)
37.106.ag
37.100.aa (05)
37.100.aa (03)
37.100.aa (01)
37.100.af (04)
37.120.af (11)
37.120.af (04)
FIT
1:1
100%