Запчасти Case IH PUMA 185 CVT (35.000.00[01]) - SECTION INDEX - HYDRAULIC SYSTEMS (35) - HYDRAULIC SYSTEMS

Схема запчастей Case IH PUMA 185 CVT - (35.000.00[01]) - SECTION INDEX - HYDRAULIC SYSTEMS (35) - HYDRAULIC SYSTEMS
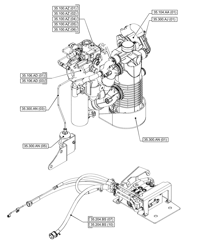
35.204.bs (10)
35.106.ad (01)
35.300.aj (01)
35.106.ad (03)
35.100.az (02)
35.300.an (01)
35.104.aa (01)
35.100.az (05)
35.300.an (05)
35.100.az (06)
35.100.az (04)
35.100.az (01)
35.300.an (03)
35.204.bs (07)
FIT
1:1
100%