Запчасти Case IH PUMA 165 CVT (00.000.37[03]) - PICTORIAL INDEX - HITCHES, DRAWBARS AND IMPLEMENT COUPLINGS (00) - GENERAL & PICTORIAL INDEX

Схема запчастей Case IH PUMA 165 CVT - (00.000.37[03]) - PICTORIAL INDEX - HITCHES, DRAWBARS AND IMPLEMENT COUPLINGS (00) - GENERAL & PICTORIAL INDEX
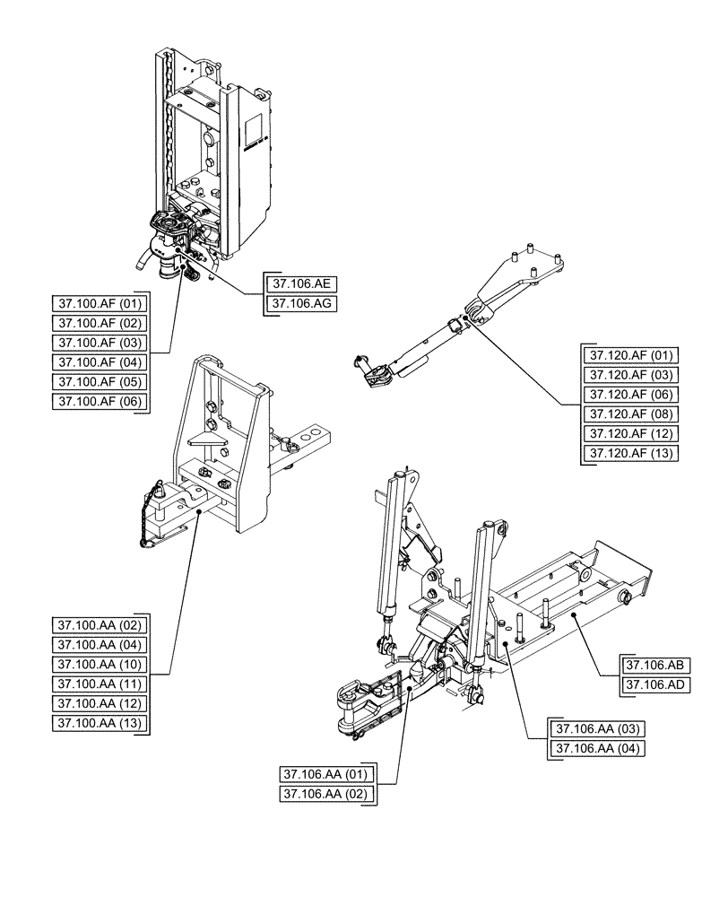
37.106.ab
37.106.aa (04)
37.100.af (03)
37.100.aa (10)
37.100.aa (13)
37.100.aa (11)
37.100.af (05)
37.106.ag
37.100.af (04)
37.100.aa (04)
37.100.aa (12)
37.100.af (06)
37.100.af (01)
37.100.af (02)
37.106.ae
37.100.aa (02)
37.120.af (12)
37.120.af (08)
37.120.af (01)
37.120.af (06)
37.120.af (13)
37.120.af (03)
37.106.aa (01)
37.106.aa (03)
37.106.ad
37.106.aa (02)
FIT
1:1
100%