Запчасти Case IH PUMA 165 CVT (35.000.00[04]) - SECTION INDEX - HYDRAULIC SYSTEMS (35) - HYDRAULIC SYSTEMS

Схема запчастей Case IH PUMA 165 CVT - (35.000.00[04]) - SECTION INDEX - HYDRAULIC SYSTEMS (35) - HYDRAULIC SYSTEMS
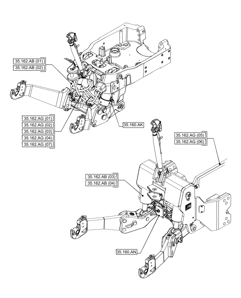
35.162.ag (03)
35.162.ag (04)
35.162.ab (03)
35.160.ak
35.162.ag (07)
35.162.ab (02)
35.162.ag (06)
35.162.ag (02)
35.162.ag (05)
35.162.ag (01)
35.160.an
35.162.ab (01)
35.162.ab (04)
FIT
1:1
100%