Запчасти Case IH PUMA 150 CVT (10.000.00[02]) - SECTION INDEX - ENGINE (10) - ENGINE

Схема запчастей Case IH PUMA 150 CVT - (10.000.00[02]) - SECTION INDEX - ENGINE (10) - ENGINE
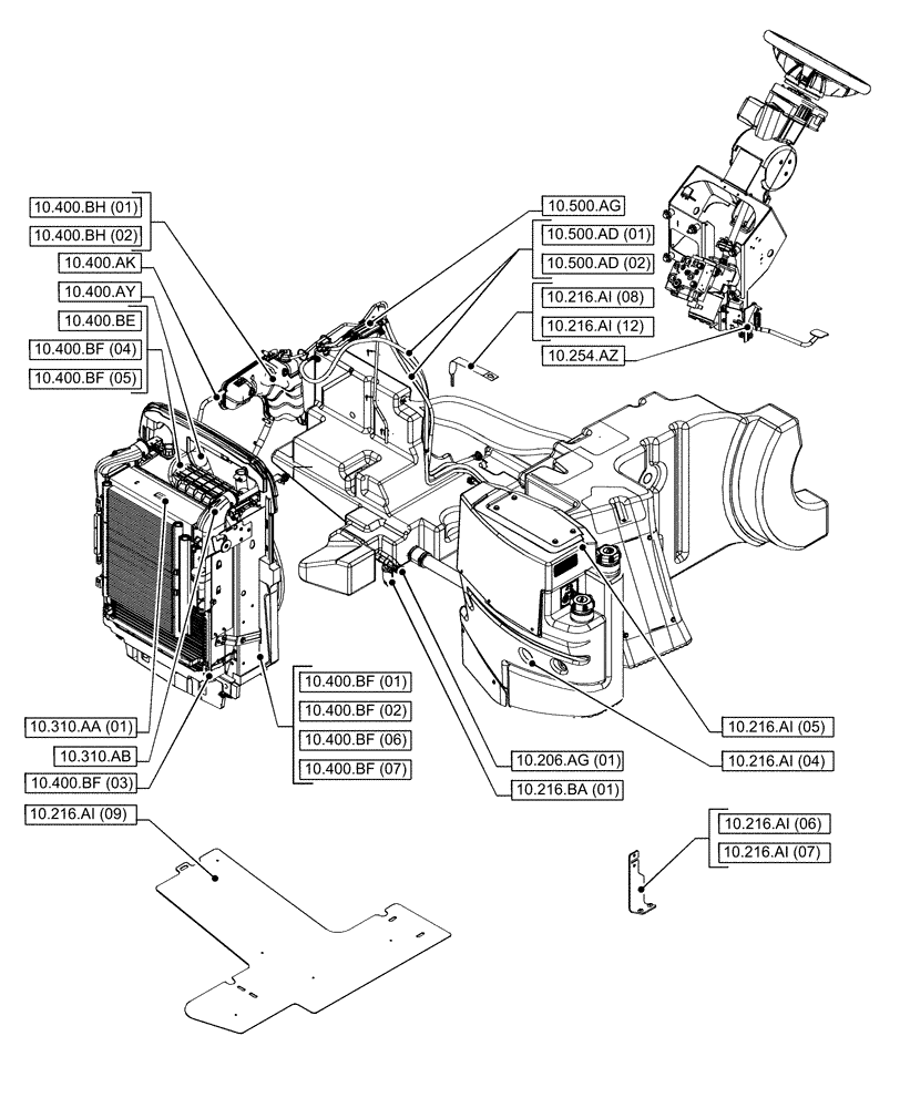
10.400.bf (05)
10.500.ag
10.400.be
10.500.ad (01)
10.400.bf (04)
10.400.bh (01)
10.400.bh (02)
10.500.ad (02)
10.400.bf (07)
10.400.bf (03)
10.216.ai (08)
10.216.ai (12)
10.310.aa (01)
10.310.ab
10.400.ak
10.216.ai (04)
10.400.bf (01)
10.216.ai (05)
10.216.ai (09)
10.206.ag (01)
10.400.bf (06)
10.216.ai (06)
10.400.ay
10.400.bf (02)
10.254.az
10.216.ba (01)
10.216.ai (07)
FIT
1:1
100%