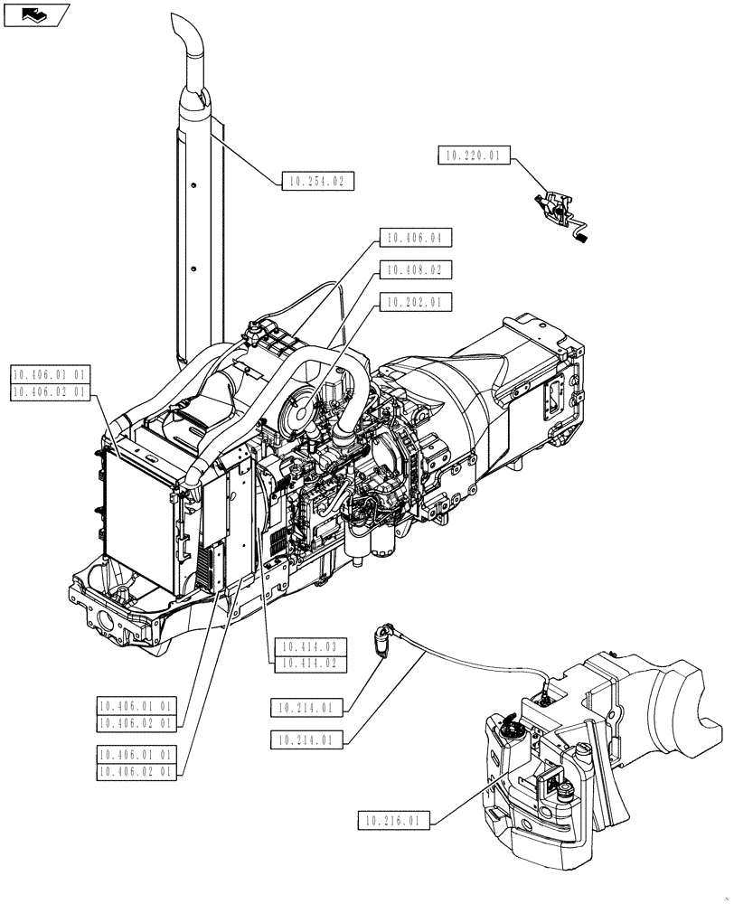
Запчасти Case IH PUMA 145 (10.000.00) - PICTORIAL INDEX - ENGINE (10) - ENGINE

Схема запчастей Case IH PUMA 145 - (10.000.00) - PICTORIAL INDEX - ENGINE (10) - ENGINE
10.406.01 01
10.414.03
10.406.02.01
10.406.01 01
10.202.01
home
10.406.02.01
10.214.01
10.406.01.01
10.406.01 01
10.414.02
10.214.01
10.406.02 01
10.406.04
10.216.01
10.106.02.01
10.220.01
10.406.01.01
10.254.02
10.406.02 01
10.406.02 01
10.408.02
10.406.01.01
FIT
1:1
100%