Запчасти Case IH PUMA 140 (SEC. 06[03]) - ELECTRICAL SYSTEM (00) - GENERAL

Схема запчастей Case IH PUMA 140 - (SEC. 06[03]) - ELECTRICAL SYSTEM (00) - GENERAL
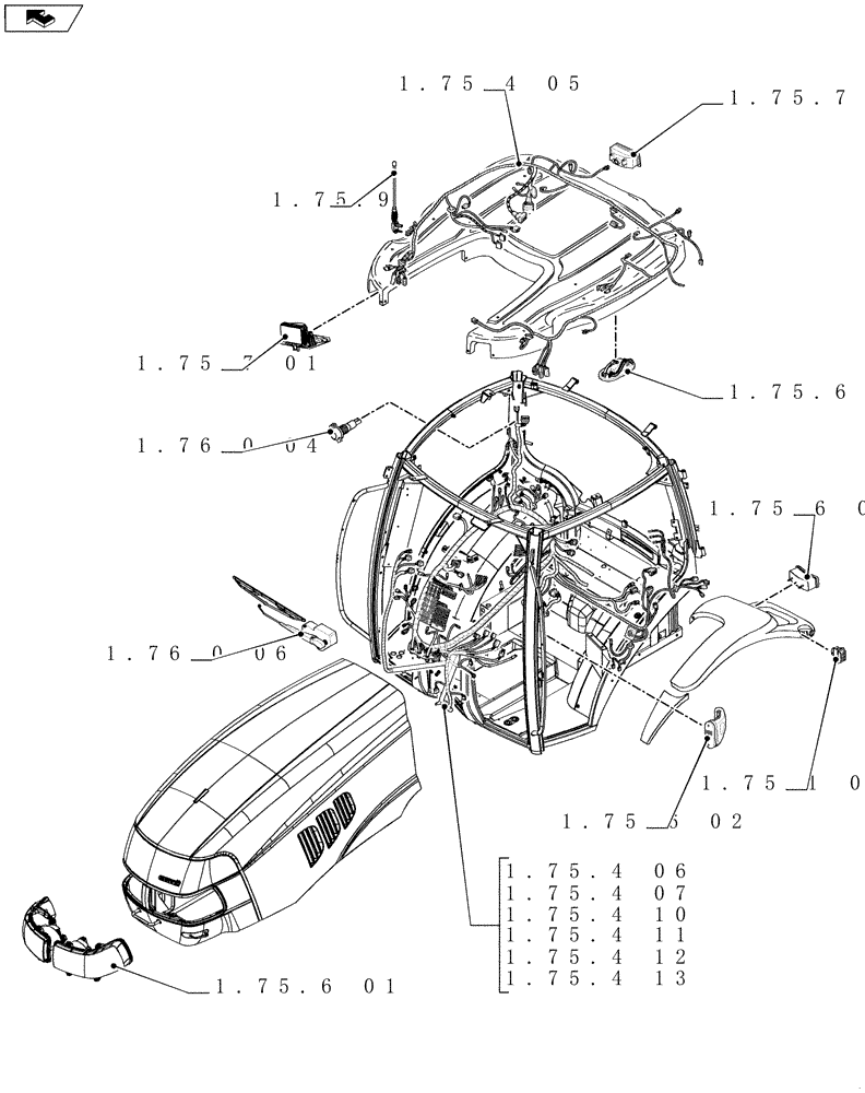
1.75.4 13
1.75.4 12
1.75.4 11
1.75.4 10
1.75.4 07
1.75.4 06
home
1.76.0 06
1.75.6 02
1.75.1 09
1.75.4 05
1.75.7 01
1.76.0 04
1.75.6 04
1.75.6 01
1.75.6 03
1.75.7 02
1.75.9
FIT
1:1
100%