Запчасти Case IH PUMA 140 (SEC. 02) - ENGINE EQUIPMENT (00) - GENERAL

Схема запчастей Case IH PUMA 140 - (SEC. 02) - ENGINE EQUIPMENT (00) - GENERAL
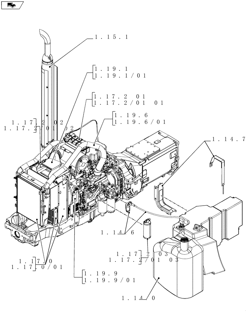
1.19.6/01
1.14.0
1.14.6
1.19.9/01
1.19.6
1.19.1/01
1.19.1
1.14.7
1.15.1
1.17.0/01
1.17.0
1.19.9
1.17.2 02
home
1.17.2/01 03
1.17.2 03
1.17.2/01 01
1.17.2 01
1.17.2/01 02
FIT
1:1
100%