Запчасти Case IH OPTUM 270 CVT (00.000.55[04]) - PICTORIAL INDEX - ELECTRICAL SYSTEMS (00) - GENERAL & PICTORIAL INDEX

Схема запчастей Case IH OPTUM 270 CVT - (00.000.55[04]) - PICTORIAL INDEX - ELECTRICAL SYSTEMS (00) - GENERAL & PICTORIAL INDEX
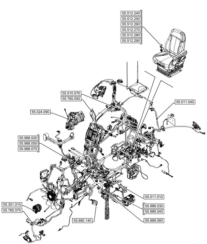
55.785.050
55.512.280
55.512.250
55.512.260
55.512.240
55.512.270
55.512.290
55.011.010
55.988.070
55.988.030
55.988.020
55.988.040
55.988.050
55.988.060
55.024.090
55.785.070
55.680.140
55.301.010
55.510.070
55.511.040
FIT
1:1
100%