Запчасти Case IH OPTUM 270 CVT (00.000.39) - PICTORIAL INDEX - FRAMES AND BALLASTING (00) - GENERAL & PICTORIAL INDEX

Схема запчастей Case IH OPTUM 270 CVT - (00.000.39) - PICTORIAL INDEX - FRAMES AND BALLASTING (00) - GENERAL & PICTORIAL INDEX
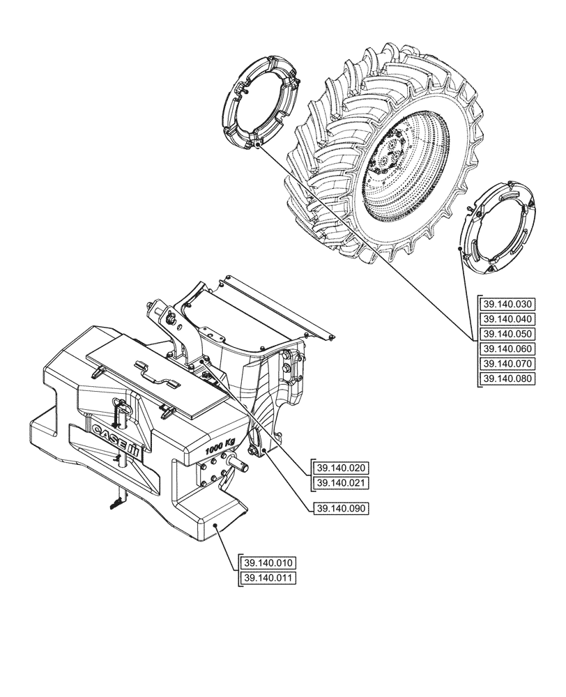
39.140.020
39.140.011
39.140.021
39.140.070
39.140.030
39.140.060
39.140.040
39.140.080
39.140.090
39.140.050
39.140.010
FIT
1:1
100%