Запчасти Case IH MAXXUM 145 (00.000.37[02]) - PICTORIAL INDEX - HITCHES, DRAWBARS AND IMPLEMENT COUPLINGS (00) - GENERAL & PICTORIAL INDEX

Схема запчастей Case IH MAXXUM 145 - (00.000.37[02]) - PICTORIAL INDEX - HITCHES, DRAWBARS AND IMPLEMENT COUPLINGS (00) - GENERAL & PICTORIAL INDEX
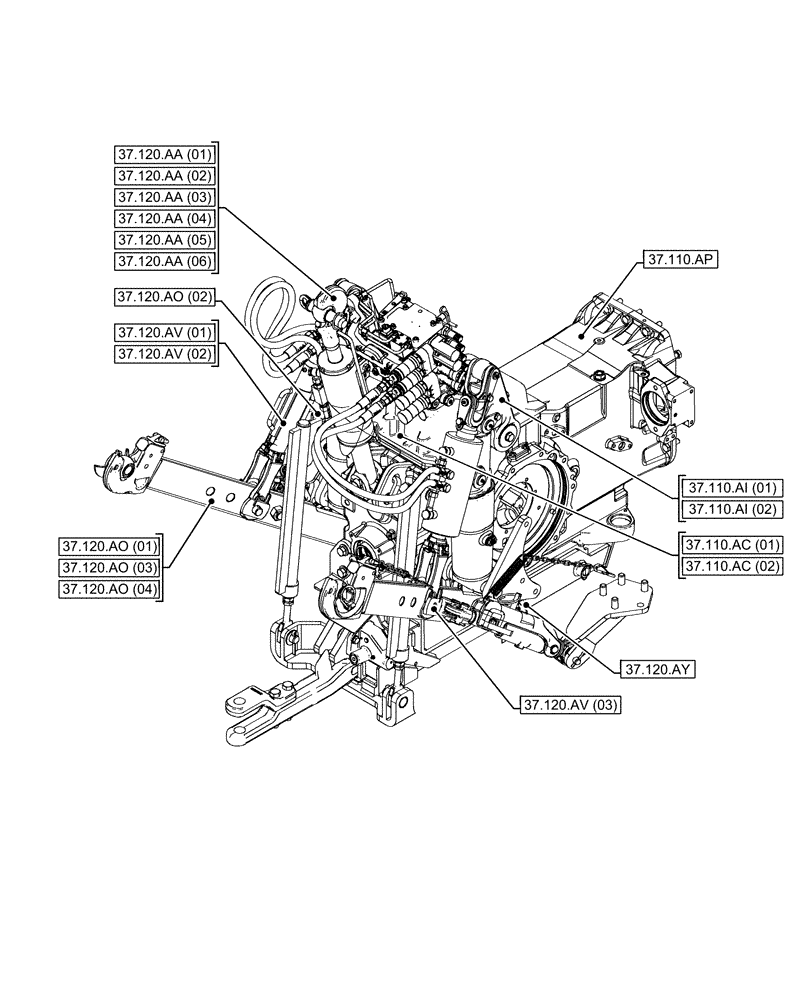
37.120.aa (03)
37.120.ao (02)
37.120.ao (03)
37.110.ap
37.120.aa (01)
37.120.aa (04)
37.120.aa (02)
37.120.ao (01)
37.120.ay
37.120.av (03)
37.120.ao (04)
37.110.ac (01)
37.110.ai (01)
37.110.ac (02)
37.120.aa (06)
37.120.aa (05)
37.120.av (02)
37.120.av (01)
37.110.ai (02)
FIT
1:1
100%