Запчасти Case IH MAXXUM 145 (00.000.10[01]) - PICTORIAL INDEX - ENGINE (00) - GENERAL & PICTORIAL INDEX

Схема запчастей Case IH MAXXUM 145 - (00.000.10[01]) - PICTORIAL INDEX - ENGINE (00) - GENERAL & PICTORIAL INDEX
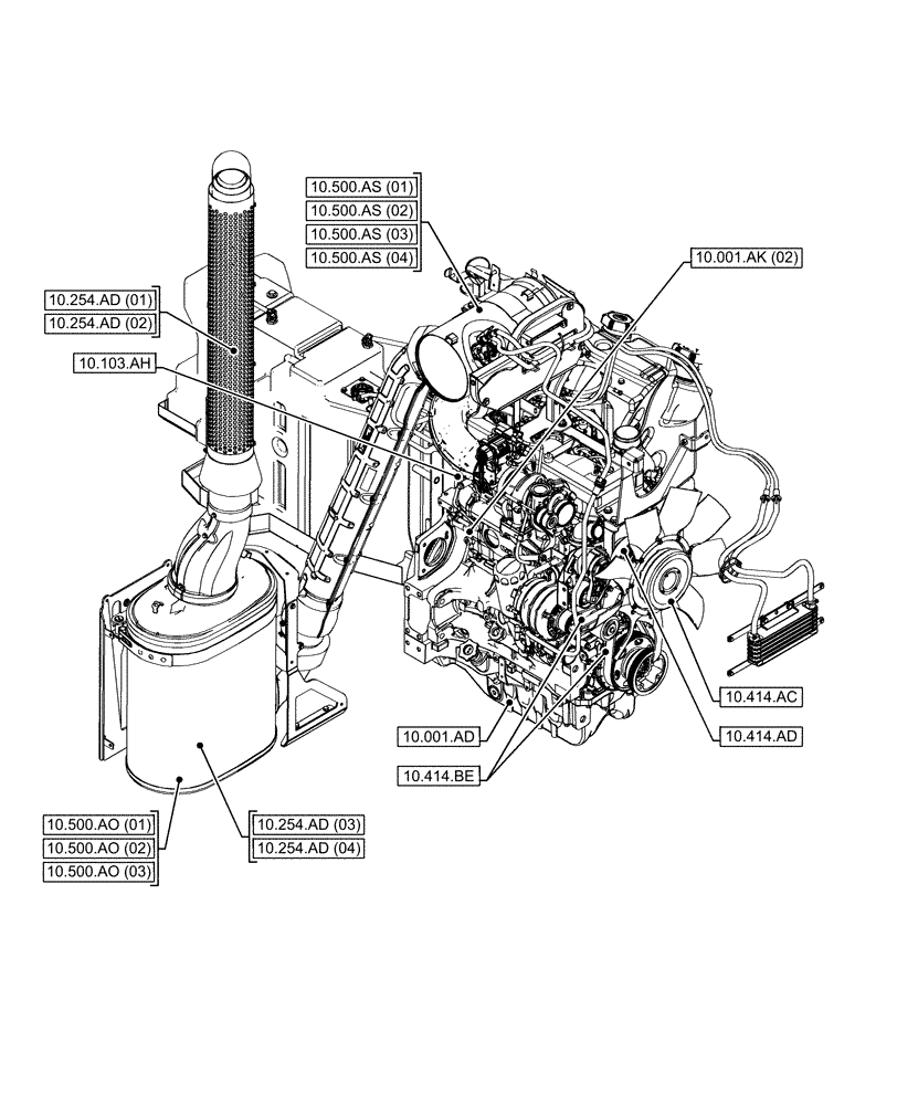
10.500.as (04)
10.500.as (01)
10.001.ad
10.500.ao (03)
10.103.ah
10.254.ad (04)
10.414.ad
10.500.as (03)
10.254.ad (03)
10.500.ao (02)
10.254.ad (02)
10.254.ad (01)
10.414.ac
10.500.as (02)
10.001.ak (02)
10.414.be
10.500.ao (01)
FIT
1:1
100%