Запчасти Case IH MAXXUM 140 (00.000.55[03]) - PICTORIAL INDEX - ELECTRICAL SYSTEMS (00) - GENERAL & PICTORIAL INDEX

Схема запчастей Case IH MAXXUM 140 - (00.000.55[03]) - PICTORIAL INDEX - ELECTRICAL SYSTEMS (00) - GENERAL & PICTORIAL INDEX
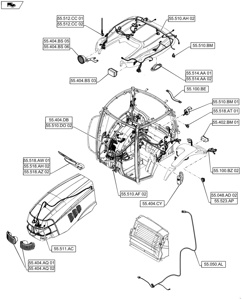
55.404.bs 05
55.404.bs 03
55.518.aw 01
55.404.aq 01
55.514.aa 01
55.402.bm 01
55.404.db
55.510.af 02
55.511.ac
55.523.ap
55.100.bz 02
55.518.at 01
55.510.bm
55.404.cy
55.510.do 02
55.518.ah 02
55.512.cc 01
55.404.bs 06
55.518.az 02
55.100.be
55.404.aq 02
55.512.cc 02
home
55.050.al
55.510.ah 02
55.048.ad 02
55.510.bm 01
55.514.aa 02
FIT
1:1
100%