Запчасти Case IH MAXXUM 140 (00.000.50) - PICTORIAL INDEX - CAB CLIMATE CONTROL (00) - GENERAL & PICTORIAL INDEX

Схема запчастей Case IH MAXXUM 140 - (00.000.50) - PICTORIAL INDEX - CAB CLIMATE CONTROL (00) - GENERAL & PICTORIAL INDEX
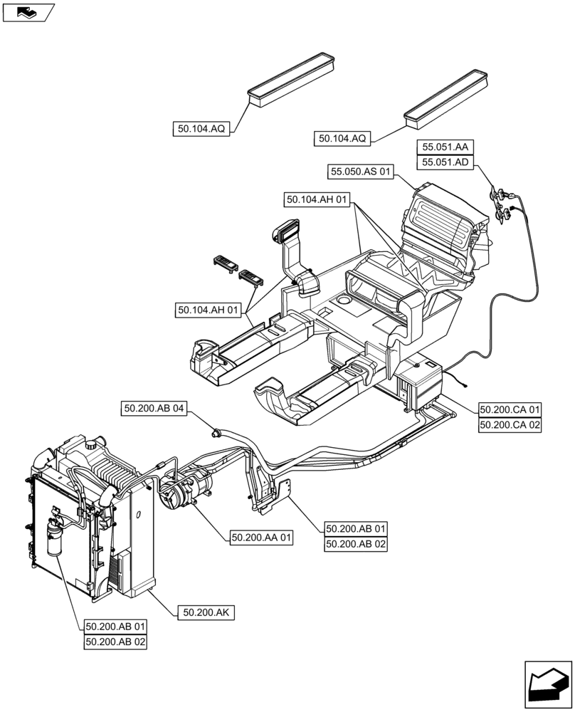
50.200.ca 01
55.050.as 01
50.200.ca 02
50.104.aq
home
50.200.ab 01
55.051.ad
50.104.ah 01
50.200.ab 02
50.200.ab 04
50.200.aa 01
50.104.ah 01
50.200.ab 02
50.200.ab 01
50.200.ak
50.104.aq
55.051.aa
FIT
1:1
100%