Запчасти Case IH MAXXUM 115 (10.000.00[01]) - SECTION INDEX - ENGINE (10) - ENGINE

Схема запчастей Case IH MAXXUM 115 - (10.000.00[01]) - SECTION INDEX - ENGINE (10) - ENGINE
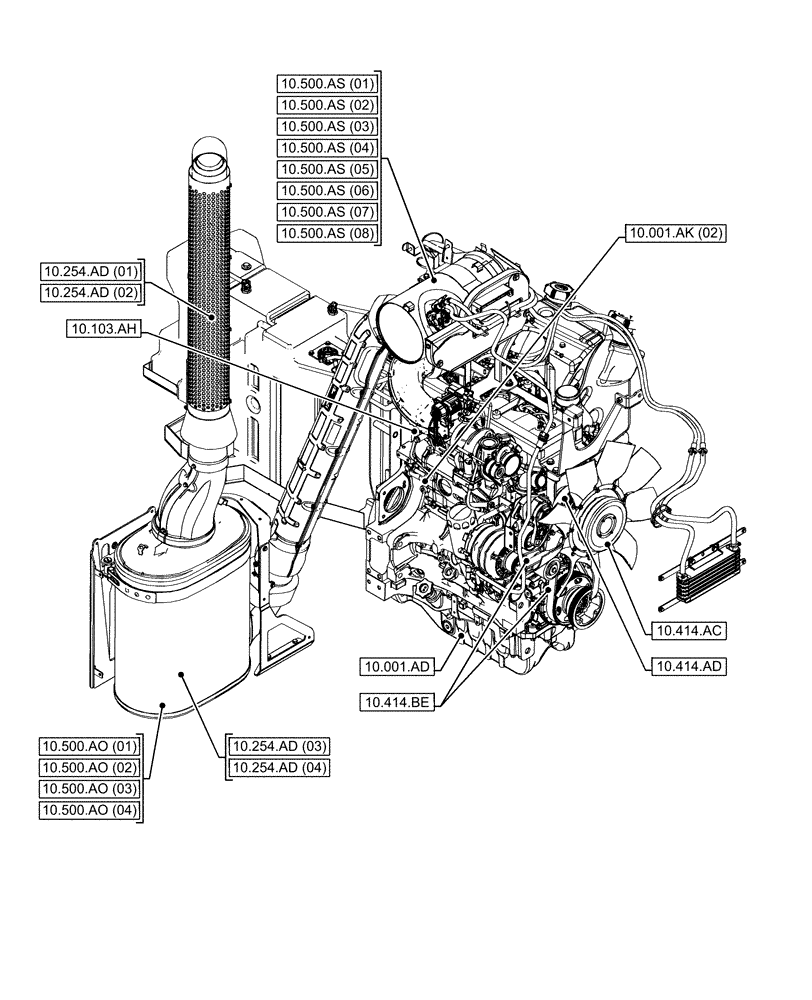
10.414.ad
10.500.ao (02)
10.001.ak (02)
10.500.as (03)
10.500.as (04)
10.500.as (01)
10.254.ad (01)
10.254.ad (02)
10.500.as (02)
10.254.ad (03)
10.500.ao (01)
10.254.ad (04)
10.500.as (05)
10.500.ao (04)
10.414.ac
10.500.ao (03)
10.500.as (06)
10.500.as (07)
10.103.ah
10.001.ad
10.500.as (08)
10.414.be
FIT
1:1
100%