Запчасти Case IH MAXXUM 110 (SEC. 03) - TRANSMISSION (00) - GENERAL

Схема запчастей Case IH MAXXUM 110 - (SEC. 03) - TRANSMISSION (00) - GENERAL
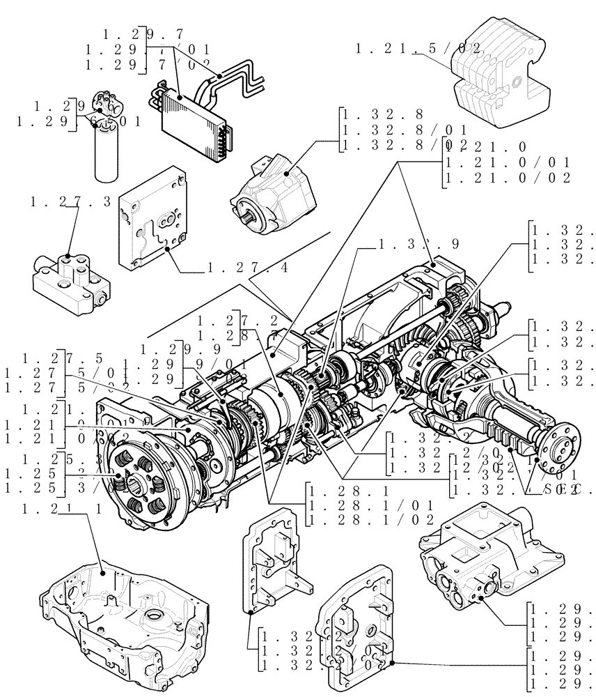
1.21.0/02
1.29.9/01
sec.05
1.32.8/01
1.32.1/02
1.32.1/01
1.29.0/01
1.29.0
1.32.8
1.32.2
1.29.7/02
1.29.9
1.32.2/02
1.32.6/01
1.32.6
1.32.0/01
1.32.0
1.32.4/02
1.32.4/01
1.32.4
1.27.3
1.27.4
1.28.1/01
1.28.1
1.29.7
1.27.5
1.27.5/01
1.27.5/02
1.29.6/01
1.29.6
1.32.2/02
1.21.1
1.25.3
1.25.3/01
1.25.3/02
1.29.9
1.28.1/02
1.29.7/01
1.27.2
1.32.8/02
1.28.7
1.32.9
1.29.9/02
1.21.0/01
1.32.2
1.32.1
1.21.0/02
1.32.2/01
1.21.0
1.29.9/02
1.32.2/01
1.29.9/01
1.21.5/02
1.29.0/02
1.21.0
1.21.0/01
FIT
1:1
100%