Запчасти Case IH MAXXUM 110 (00.000.90[02]) - PICTORIAL INDEX - PLATFORM, CAB, BODYWORK AND DECALS (00) - GENERAL & PICTORIAL INDEX

Схема запчастей Case IH MAXXUM 110 - (00.000.90[02]) - PICTORIAL INDEX - PLATFORM, CAB, BODYWORK AND DECALS (00) - GENERAL & PICTORIAL INDEX
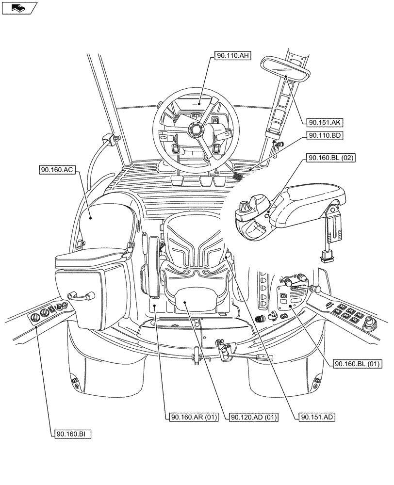
90.110.ah
home
90.160.bl (01)
90.160.bi
90.151.ak
90.160.ac
90.160.ar (01)
90.110.bd
90.120.ad (01)
90.151.ad
90.160.bl (02)
FIT
1:1
100%