Запчасти Case IH MAXXUM 110 (00.000.55[03]) - PICTORIAL INDEX - ELECTRICAL SYSTEMS (00) - GENERAL & PICTORIAL INDEX

Схема запчастей Case IH MAXXUM 110 - (00.000.55[03]) - PICTORIAL INDEX - ELECTRICAL SYSTEMS (00) - GENERAL & PICTORIAL INDEX
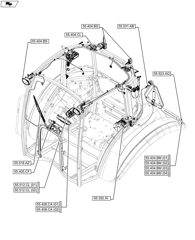
55.404.bm (01)
home
55.031.ab
55.404.bm (04)
55.512.cl (02)
55.408.ca (01)
55.404.bs
55.404.bm (02)
55.404.cl
55.523.aq
55.405.cf
55.404.bm (03)
55.518.az
55.302.ai
55.512.cl (01)
55.408.ca (02)
55.404.bs
FIT
1:1
100%