Запчасти Case IH L-SERIES (012) - LOW COST FUEL MANIFOLD CARBURETOR & AIR CLEANER ASSY. (TRACTOR NO. L301844 & AFTER) (02) - ENGINE

Схема запчастей Case IH L-SERIES - (012) - LOW COST FUEL MANIFOLD CARBURETOR & AIR CLEANER ASSY. (TRACTOR NO. L301844 & AFTER) (02) - ENGINE
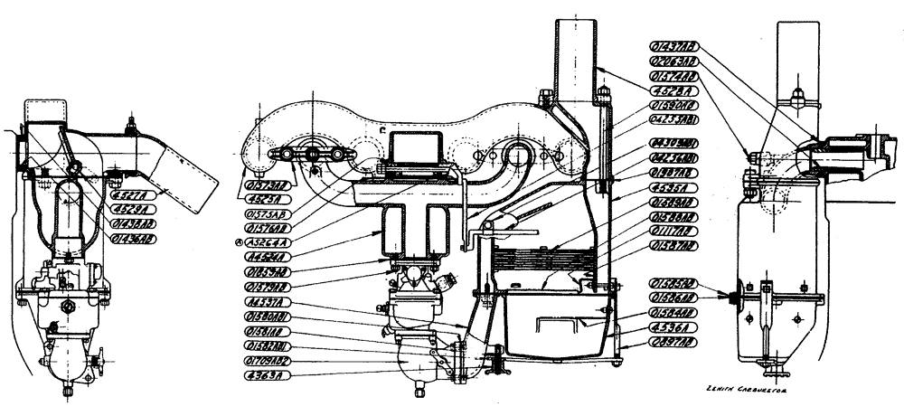
01586ab
4529a
a4524a
01574ab
a5264a
4535a
4525a
01590ab
01579ab
01588ab
4363a
4536a
01576ab
04309ab1
01589ab
01584ab
04255ab1
01582ab1
01580ab1
4528a
01585ab
01438ab
04256ab1
0897ab
01437ab
01436ab
01117ab
01859ab
a4537a
01581ab
01573ab
02063ab
4527a
01575ab
01587ab
FIT
1:1
100%