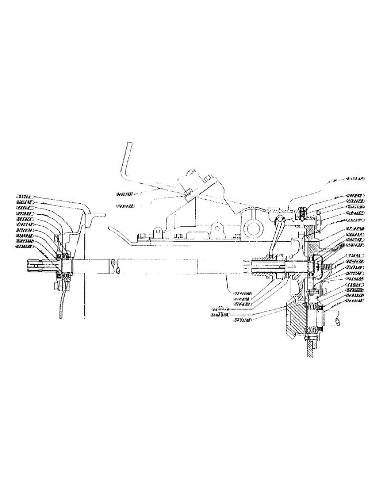
Запчасти Case IH DC-SERIES (146) - PWR TAKEOFF ASSY W/ SHORT SHAFT, FOR D - DO TRAC. PRIOR TO 4607033, NOT USED W/MTR LIFT&RAISING BAIL (06) - POWER TRAIN

Схема запчастей Case IH DC-SERIES - (146) - PWR TAKEOFF ASSY W/ SHORT SHAFT, FOR D - DO TRAC. PRIOR TO 4607033, NOT USED W/MTR LIFT&RAISING BAIL (06) - POWER TRAIN
FIT
1:1
100%