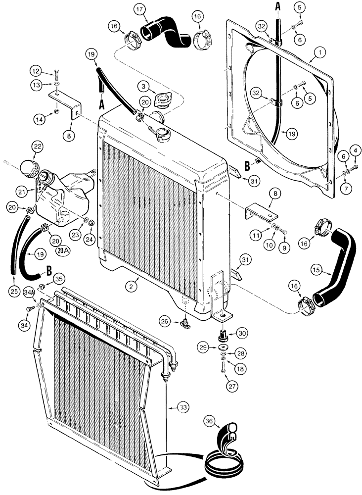
Запчасти Case IH 1835C (2-02) - RADIATOR, HOSES, SHROUD AND OIL COOLER (02) - ENGINE

№
Артикул
Название
Примечание
Количество
1
A184390
SHROUD
radiator
1шт.
2
A190749
RADIATOR
engine cooling
1шт.
3
A170241
RADIATOR CAP
CAP, RADIATOR, Filler, 15 psi
1шт.
4
614-8016
BOLT,Hex, M8 x 1.25 x 16mm, Cl 8.8, Full Thd
hex, full threads, 8-1.25 x 16 mm
6шт.
5
614-8030
BOLT,Hex, M8 x 1.25 x 30mm, Cl 8.8, Full Thd
HH, CL 8.8, M8 x 1.25 x 30
2шт.
7
495-21038
WASHER,5/16"
(flat, 3/8 x 7/8 x 3/32") 5/16"
6шт.
8
H435039
BRACKET
BRACE radiator support
2шт.
9
614-8016
BOLT,Hex, M8 x 1.25 x 16mm, Cl 8.8, Full Thd
hex, full threads, 8-1.25 x 16 mm
2шт.
11
495-21038
WASHER,5/16"
(flat, 3/8 x 7/8 x 3/32") 5/16"
2шт.
12
413-616
BOLT,Hex, 3/8" - 16 x 1", Gr 5
hex, 3/8 NC x 1 inch
2шт.
13
495-11041
WASHER,0.406" ID x 0.812" OD x 0.065" W
flat, (13/32 x 13/16 x 1/16")
2шт.
14
231-5146
FLANGE NUT,3/8"-16
2шт.
15
H437746
RADIATOR HOSE,45.00 mm ID x 199.00 mm, SAE J20 20R4
Lower 45.00 mm ID x 199.00 mm, SAE J20 20R4
1шт.
16
214-1432
HOSE CLAMP,#32, 1.56" - 2.5", Type F Worm
CLAMP, HOSE, , Adjustable #32, 1.56/2.50 Type F Worm
4шт.
17
D139362
HOSE,38.00 mm ID, 45.00 mm ID x 204.00 mm, SAE J20, SAE 20R4 CLASS C or SAE 20R4 CLASS D1 or D2
RADIATOR HOSE, , Upper 38.00 mm ID, 45.00 mm ID x 204.00 mm, SAE J20, SAE 20R4 CLASS C or SAE 20R4 CLASS D1 or D2
1шт.
18
492-11038
LOCK WASHER,3/8"
no longer used 3/8"
2шт.
19
D94979
FUEL HOSE,7.90 mm ID x 1016.00 mm, SAE 30R6 or SAE 30R7
HOSE 7.90 mm ID x 1016.00 mm, SAE 30R6 or SAE 30R7
1шт.
20
A171099
HOSE CLAMP,13.2mm - 15.4mm
CLAMP spring-type, hose
2-3шт.
20a
214-1704
HOSE CLAMP,#04, 0.25" - 0.62", Type M Worm
CLAMP, HOSE, , Adjusting, If used #4, 0.25/0.62 Type M Worm
1шт.
21
A171805
RESERVOIR
coolant recovery
1шт.
22
A184079
CAP
coolant recovery reservoir
1шт.
23
495-21038
WASHER,5/16"
(flat, 3/8 x 7/8 x 3/32") 5/16"
2шт.
24
231-5145
SERRATED NUT,Flg, USR, 5/16"-18
NUT hex serrated flange, 5/16 inch NC
2шт.
25
D128547
HOSE,7.9 mm ID x 300.00 mm, SAE 30R6
Cut from P/N S120317X Bulk Hose 7.9 mm ID x 300.00 mm, SAE 30R6
1шт.
S120317X
HOSE
bulk, 8/5/16 ID x 7620 mm/300 inch long
1шт.
H424101
HOSE,7.90 mm ID x 2300.00 mm, SAE 30R2 Type 1
- Bulk 7.90 mm ID x 2300.00 mm, SAE 30R2 Type 1
1шт.
26
H434809
COCK, DRAIN
VALVE drain
1шт.
27
413-624
BOLT,Hex, 3/8" - 16 x 1-1/2", Gr 5
hex, 3/8 NC x 1-1/2 inch
2шт.
28
495-11041
WASHER,0.406" ID x 0.812" OD x 0.065" W
flat, (13/32 x 13/16 x 1/16")
2шт.
29
D52275
WASHER,9.92mm ID x 31.75mm OD x 2.78mm Thk
flat, special
2шт.
30
D75755
ISOLATOR
INSULATOR rubber
2шт.
31
A173165
SEALING STRIP
fan shroud, radiator
2шт.
32
515-23143
CLAMP,9/16", Insul, 3/8" Bolt
P-type, Coolant recovery hose 9/16", Insul, 3/8" Bolt
2шт.
33
A184084
OIL COOLER
COOLER hydraulic oil
1шт.
34
413-512
BOLT,Hex, 5/16" - 18 x 3/4", Gr 5
hex, 5/16 NC x 3/4 inch
4шт.
34a
495-11034
WASHER,5/16", SAE
5/16" SAE (flat, 11/32 x 11/16 x 1/16")
4шт.
35
231-5145
SERRATED NUT,Flg, USR, 5/16"-18
NUT hex serrated flange, 5/16 inch NC
4шт.
36
D128489
LINING
SEAL rubber, 496 mm/19-1/2 inch long, cut from P/N F43117X bulk seal
4шт.
F43117X
SEAL
formed rubber, adhesive-backed, bulk, 15/9/16 x 31/1-3/16 x 30480 mm/1200 inch long
1шт.
Выбрано товаров: 41