burger
mini logo mini logo

Качественные детали и логистика

zakaz@partsell.ru 8 (800) 777-65-74
  • Написать в whatsapp
  • Каталог
  • Справочники
  • Сервисным и ремонтным
    организациям
  • Поставщикам запчастей
  • Контакты
Заказать запчасти ()

Оригинальные и аналоговые запчасти с доставкой по России, Казахстану и Беларуси

©2022 PartSell
ООО "Система"
ИНН 2463123282
ОГРН 1212400004838


Центральный офис: г. Красноярск, Академика Киренского, д.87, пом.4

Телефон: 8 (800) 777-65-74
Email: zakaz@partsell.ru

8 (800) 777-65-74 zakaz@partsell.ru
Главная
/
Справочники
/
Case IH
/
Погрузочно-разгрузочные машины
/
Измельчители
/
LEGACY
/
(1050) - INTERNATIONAL HARVESTER GRINDER-MIXER (1/67-12/69)
/

(3) - INTRODUCTION

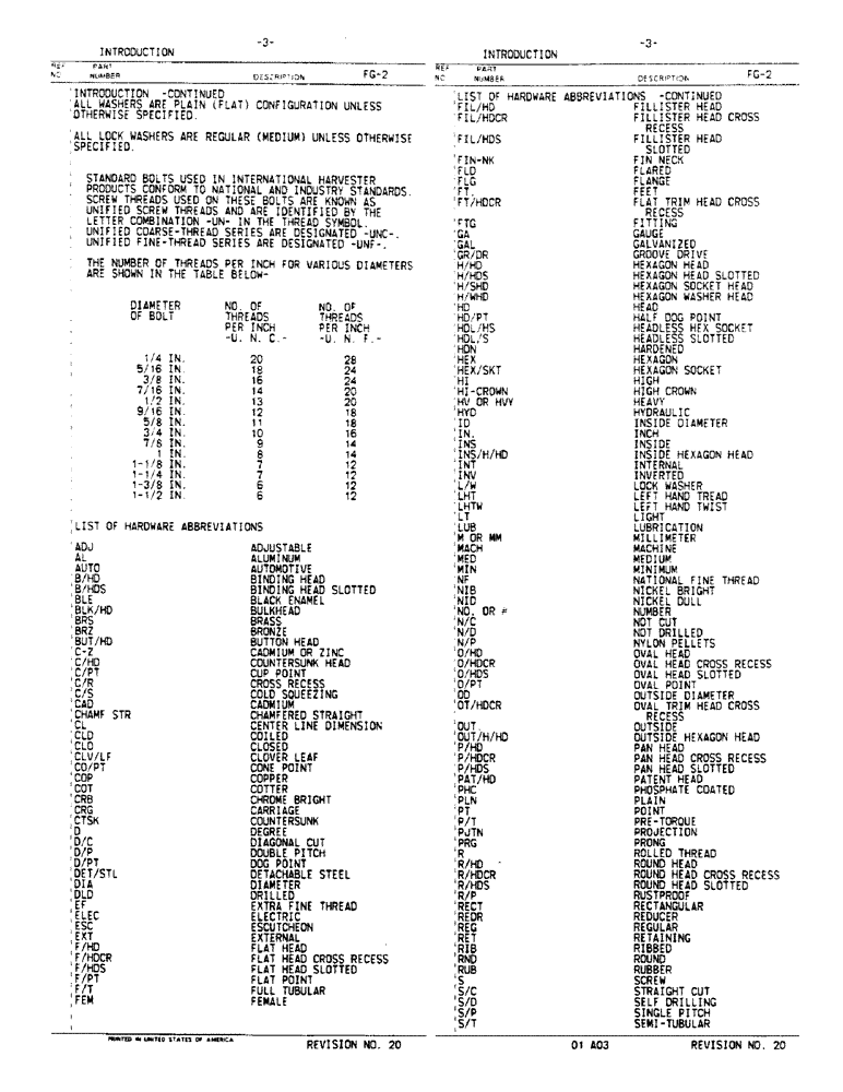
Запчасти Case IH 1050 (3) - INTRODUCTION

Схема запчастей Case IH 1050 - (3) - INTRODUCTION
FIT
1:1
100%