Запчасти Case IH 2060-17 (00.000.58) - PICTORIAL INDEX - ATTACHMENTS/HEADERS, 17 FT (00) - GENERAL & PICTORIAL INDEX

Схема запчастей Case IH 2060-17 - (00.000.58) - PICTORIAL INDEX - ATTACHMENTS/HEADERS, 17 FT (00) - GENERAL & PICTORIAL INDEX
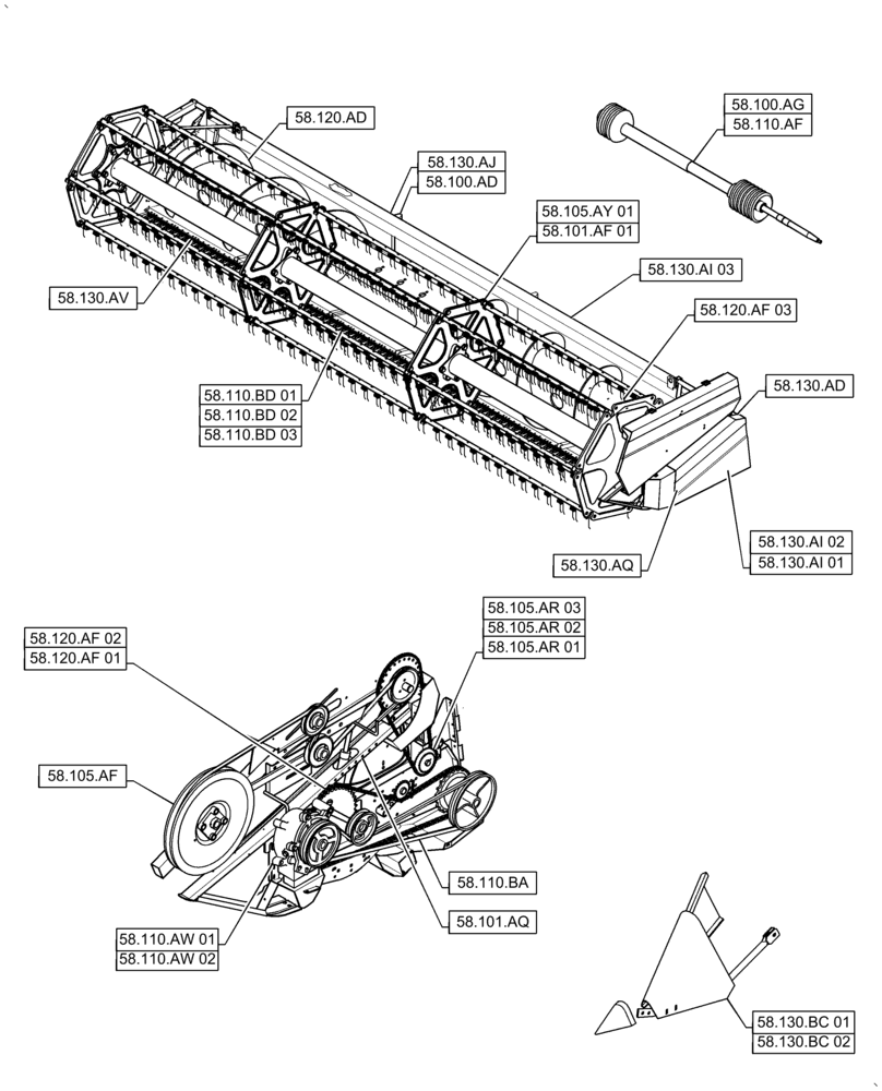
58.110.af
58.130.aj
58.130.av
58.120.af 01
58.100.ag
58.100.ad
58.130.aq
58.110.bd 02
58.130.ad
58.130.bc 01
58.105.af
58.120.af 02
58.110.bd 01
58.110.aw 01
58.130.bc 02
58.130.ai 03
58.110.bd 03
58.110.ba
58.130.ai 02
58.130.ai 01
58.120.ad
58.105.ar 03
58.101.af 01
58.105.ay 01
58.105.ar 01
58.101.aq
58.105.ar 02
58.110.aw 02
58.120.af 03
FIT
1:1
100%