Запчасти Case IH 8010 (90.000.00[02]) - SECTION INDEX - BODY PANEL MOUNTS & HINGES (90) - PLATFORM, CAB, BODYWORK AND DECALS

Схема запчастей Case IH 8010 - (90.000.00[02]) - SECTION INDEX - BODY PANEL MOUNTS & HINGES (90) - PLATFORM, CAB, BODYWORK AND DECALS
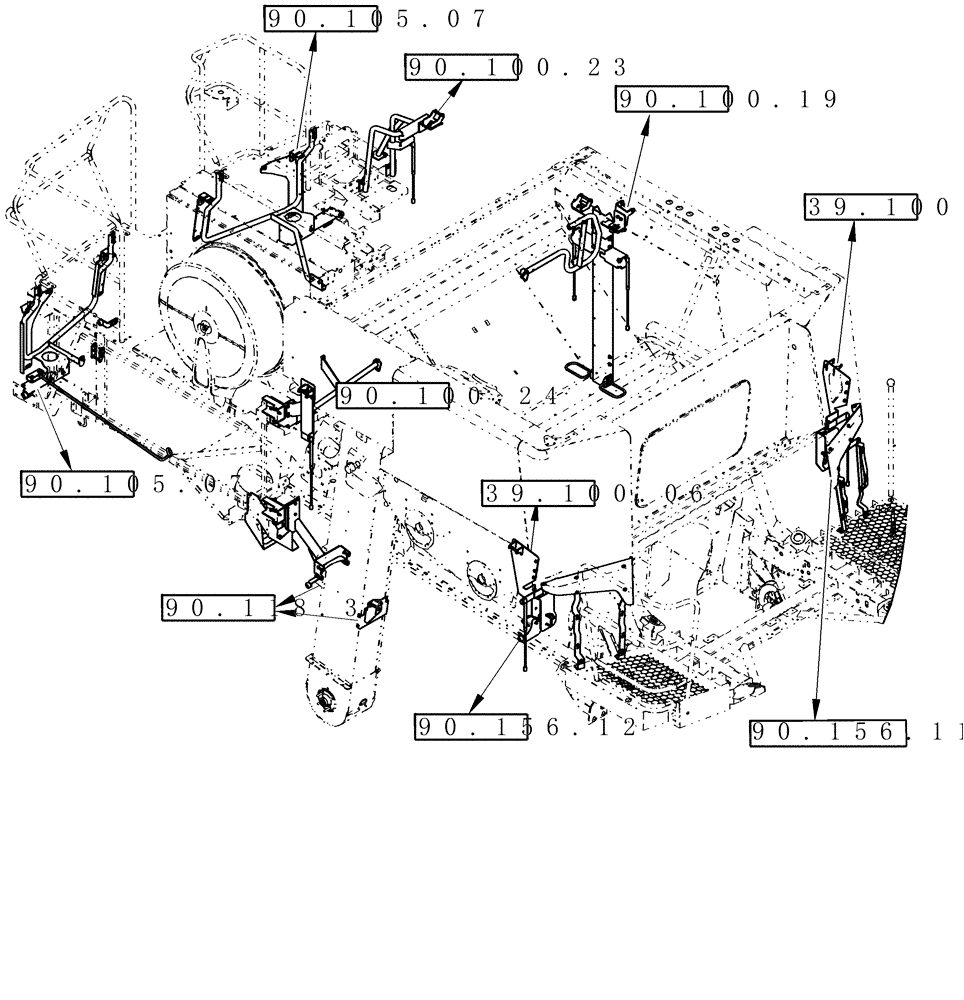
90.100.24
90.105.07
39.100.06
90.105.07
90.118.37
90.156.12
90.156.11(01)
39.100.06
90.100.19
90.100.23
FIT
1:1
100%