Запчасти Case IH FVAE2884X B200 (00.000.55) - PICTORIAL INDEX - ELECTRICAL SYSTEMS (00) - GENERAL & PICTORIAL INDEX

Схема запчастей Case IH FVAE2884X B200 - (00.000.55) - PICTORIAL INDEX - ELECTRICAL SYSTEMS (00) - GENERAL & PICTORIAL INDEX
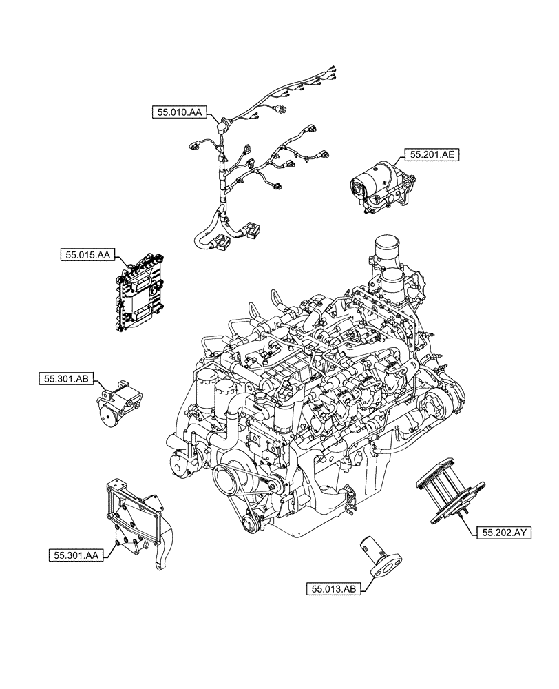
55.202.ay
55.013.ab
55.201.ae
55.301.aa
55.301.ab
55.015.aa
55.010.aa
FIT
1:1
100%