Запчасти Case IH F4HFE96872 J101 (00.000.10) - PICTORIAL INDEX (00) - GENERAL & PICTORIAL INDEX

Схема запчастей Case IH F4HFE96872 J101 - (00.000.10) - PICTORIAL INDEX (00) - GENERAL & PICTORIAL INDEX
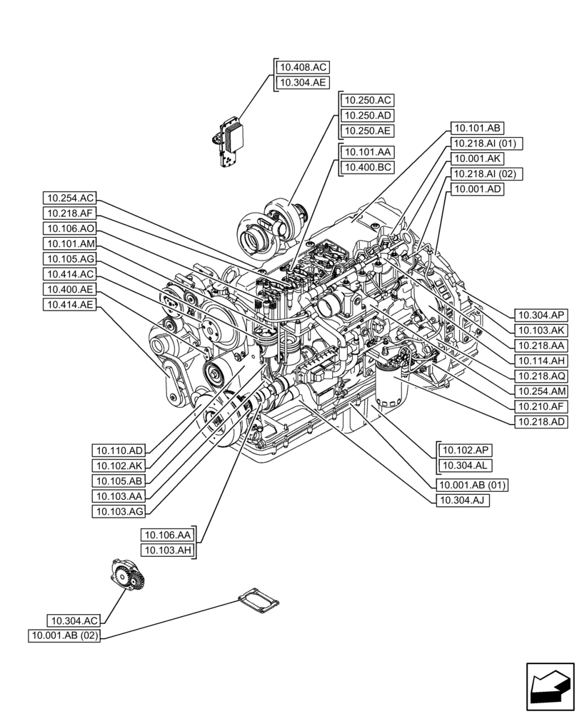
10.414.ae
10.001.ab (01)
10.101.am
10.218.ai (01)
10.106.ao
10.102.ak
10.001.ab (02)
10.001.ak
10.105.ag
10.103.aa
10.414.ac
10.254.am
10.408.ac
10.114.ah
10.105.ab
10.250.ae
10.210.af
10.001.ad
10.400.bc
10.103.ak
10.110.ad
10.102.ap
10.304.ae
10.304.al
10.103.ah
10.218.aa
10.304.ac
10.304.ap
10.106.aa
10.250.ad
10.304.aj
10.400.ae
10.218.af
10.101.aa
10.218.aq
10.218.ad
10.254.ac
10.103.ag
10.101.ab
10.218.ai (02)
10.250.ac
FIT
1:1
100%