Запчасти Case IH F4HFE96872 J101 (10.000.00) - SECTION INDEX - ENGINE (10) - ENGINE

Схема запчастей Case IH F4HFE96872 J101 - (10.000.00) - SECTION INDEX - ENGINE (10) - ENGINE
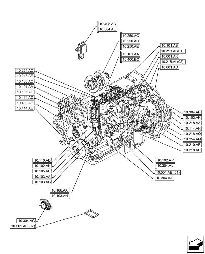
10.114.ah
10.101.ab
10.254.am
10.304.al
10.218.af
10.414.ac
10.304.ae
10.106.aa
10.218.aa
10.102.ap
10.101.aa
10.001.ak
10.304.ap
10.218.ad
10.102.ak
10.218.aq
10.254.ac
10.250.ae
10.210.af
10.103.aa
10.250.ac
10.400.bc
10.105.ag
10.408.ac
10.218.ai (02)
10.106.ao
10.103.ah
10.101.am
10.001.ad
10.001.ab (01)
10.103.ak
10.001.ab (02)
10.400.ae
10.110.ad
10.414.ae
10.304.ac
10.304.aj
10.105.ab
10.218.ai (01)
10.103.ag
10.250.ad
FIT
1:1
100%