Запчасти Case IH LBX432R (12.00[01]) - PICTORIAL OVERVIEW 1/1 - MAIN FRAME (12) - MAIN FRAME

Схема запчастей Case IH LBX432R - (12.00[01]) - PICTORIAL OVERVIEW 1/1 - MAIN FRAME (12) - MAIN FRAME
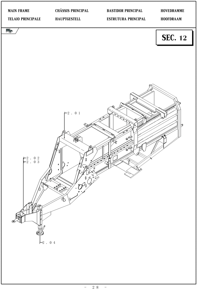
12.04
12.03
12.02
12.01
home
hauptgestell
hoofdraam
telaio principale
- 28 -
estrutura principal
hovedramme
main frame
sec. 12
bastidor principal
FIT
1:1
100%