Запчасти Case IH LBX332P (15.00[01]) - PICTORIAL OVERVIEW 1/1 - KNOTTER/WRAPPER (15) - KNOTTER /WRAPPER

Схема запчастей Case IH LBX332P - (15.00[01]) - PICTORIAL OVERVIEW 1/1 - KNOTTER/WRAPPER (15) - KNOTTER /WRAPPER
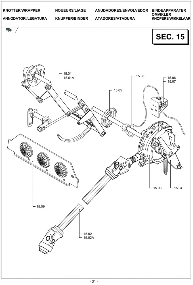
15.04
sec. 15
15.06
anudadores/envolvedor
15.07
- 31 -
15.01a
knupfer/binder
15.02
15.09
knotter/wrapper
15.08
home
15.02a
15.01
atadores/atadura
15.03
omvikler
15.05
knopers/wikkelaar
noueurs/liage
annodatori/legatura
bindeapparater
FIT
1:1
100%